首 页
关于迪来思
连接器系列
线材系列
视频中心
荣誉资质
厂房车间
联系我们
返回
连接器系列
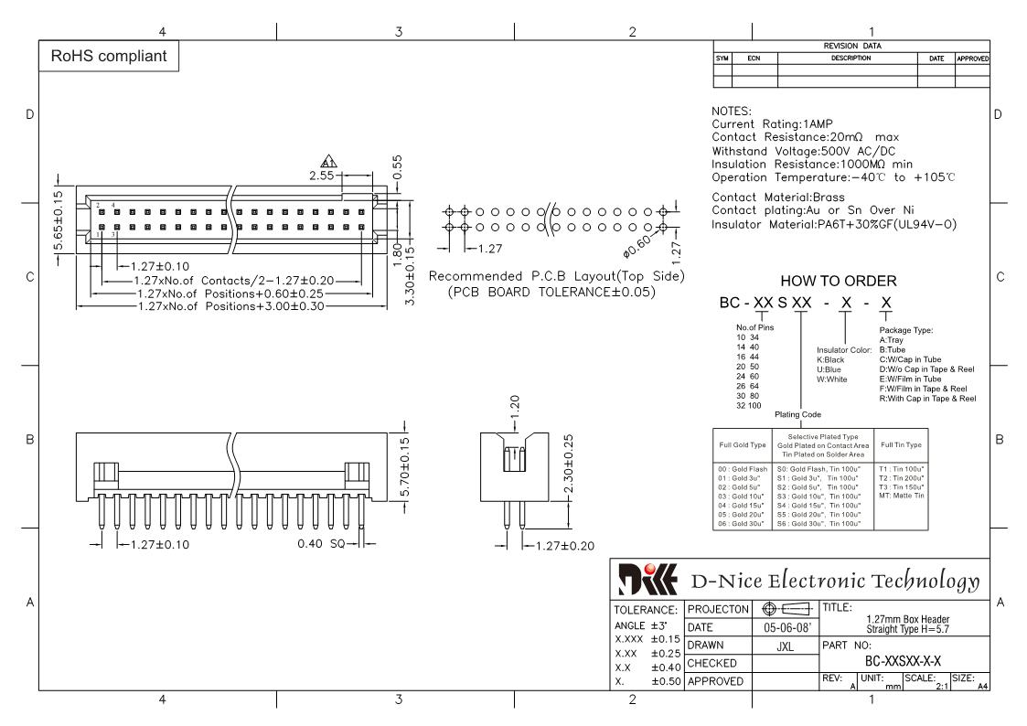
3205 BC-XXSXX-X-X简牛连接器
上一页
3207 BC-XXMXX-X-X简牛连接器
下一页
3204 BC49-XXSXX-X-X简牛连接器
电话
地图
分享
邮件
电话
邮件
地图
分享
留言
信息搜索
搜索