首 页
关于迪来思
连接器系列
线材系列
视频中心
荣誉资质
厂房车间
联系我们
返回
连接器系列
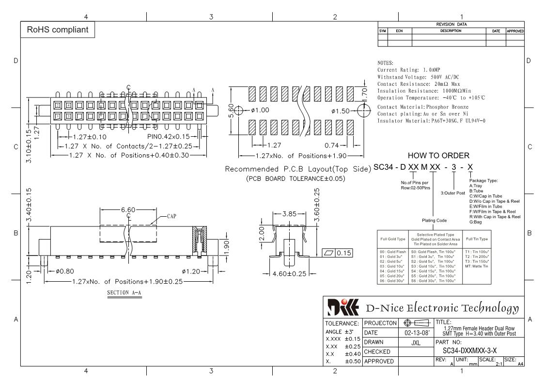
2312 SC34-DXXMXX-3-X排母
上一页
2313 SC34-SXXMXX-X-X排母
下一页
2311 SC34-DXXMXX-X-X排母
电话
地图
分享
邮件
电话
邮件
地图
分享
留言
信息搜索
搜索